1. Van giảm áp là gì?
Van giảm áp còn gọi là van an toàn theo áp suất làm việc của hệ thống có thể tự động mở và đóng, thường được cài đặt trong hệ thống bảo vệ an toàn đường ống thiết bị hoặc 1 hệ thống khép kín. Khi thiết bị hoặc áp lực ống vượt quá van bộ áp lực sẽ tự động mở cứu trợ để đảm bảo rằng thiết bị và áp lực phương tiện truyền thông trong các đường ống dưới áp lực bộ, thiết bị bảo hộ đường ống để ngăn ngừa tai nạn


Tùng Lâm là một trong những doanh nghiệp có kinh nghiệm kinh doanh trong lĩnh vực Van và Vòng Bi Công Nghiệp, chất lượng cao được sản suất theo tiêu chuẩn ISO 9001:2000 đạt chuẩn DIN, BS, JIS...đã và đang được sử dụng cho các dự án xây dựng và các công ty cấp nước trên toàn quốc. Với kho hàng rộng luôn sẵn sàng phục vụ quý khách.
Đơn vị đang cung cấp Van Giảm áp mang thương hiệu YNV Hàn Quốc với đầy đủ giấy tờ chứng chỉ đi kèm Tùng Lâm cam kết mang đến chất lượng sản phẩm và dịch vụ tốt nhất, với giá thành hợp lý nhất.
2. Chức năng và hoạt động của van gảm áp.
a) Chức năng
Là loại van có khả năng làm suy giảm áp suất bên trong đường ống khi áp suất đạt đến một giới hạn nhất định. Loại van này có 2 kiểu giảm áp là điều chỉnh áp suất đầu vào xuống một mức thấp hơn ở đầu ra hoặc tự xả bớt áp suất xuống một mức định sẵn nhằm bảo vệ sự an toàn cho hệ thống ứng dụng.
Van giảm áp hay còn gọi là van an toàn hoặc van xả, có thể được vận hành tự động hoặc được vận hành bằng tay. Tùy theo thiết kế mà van có thể vận hành do áp suất lên cao sẽ kích đẩy của van để thoastra ngoài hoặc sử dụng cảm biến do áp suất để mở cửa van. Với kiểu vận hành bằng tay, người ta thường dùng đồng hồ đo áp suất hoặc hệ thống đèn hiệu để theo dõi và chủ động xả van khi cần thiết
Van giảm áp là một van áp suất có tác dụng giữ áp xuất đầu ra của van ở 1 giá trị thiết lập sẵn thấp hơn áp suất đầu vào. Điểm khác nhau cơ bản giữa van giảm áp và các van áp suất đầu vào (van an toàn, van tràn) là thiết lập áp suất tại đầu ra của van.
b) Hoạt động
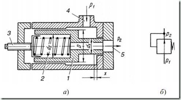
Thiết lập quan hệ áp suất đầu vào và đầu ra của van P1 và P2
Cấu tạo của van: gồm phần tử điều khiển dạng ống trượt 1, ống trượt này bị ép vào đế bởi lò xo 2, lực ép của lò xo 2 được điều chỉnh bởi vít xoay 3. Cửa 4 của vỏ van nối với ống dẫn áp suất cao, cửa 5 của van nối với ống dẫn áp suất thấp. Ở vị trí ban đầu của van là vị trí bị ép vào đế đỡ, cửa vào và cửa ra không được thông nhau. Khi tăng áp suất cửa vào P1, áp suất p1 càng lớn tiết diện thông nhau giữa 2 cửa càng lớn và áp suất p2 càng lớn.

3. Các loại van giảm áp.
Van giảm áp được chia làm 2 loại chính theo môi trường sử dụng:
+ Van giảm áp nước: van giảm áp nước ren - rắc co, van giảm áp nước mặt bích, van giảm áp nước bằng đồng, van giảm áp nước bằng ngang, van giảm áp nước Hàn Quốc.
+ Van giảm áp hơi: van giảm áp hơi ren - răc co, van giảm áp hơi mặt bich, van giảm áp hơi bằng đồng, van giảm áp hơi bằng ngang, van giảm áp hơi Hàn Quốc.
4 . Ứng dụng của van giảm áp
Van giảm áp được ứng dụng rộng rãi trong các hệ thống cung cấp nước. Các công ty cấp nước sử dụng máy bơm nước và trạm bơm để tăng áp lực cho nguồn cung cấp nước để cung cấp nước cho phòng cháy chữa cháy, nhà chung cư cao tầng, để khắc phục mất áp lực khi độ cao tăng lên và để duy trì cấp nước trong tháp nước và bể nước
Van giảm áp được ứng dụng trong máy nén khí, ứng dụng trong thiết bị thủy lực, ứng dụng trong các ngành chế biến thực phẩm
Với các thông tin trên mà chúng tôi cung cấp, mong rằng giúp được mọi người biết thêm được thông tin về sản phẩm van của chúng tôi, hiểu và chọn ra được sản phẩm phù hợp đáp ứng được nhu cầu ứng dụng.
Hiện nay Tùng Lâm đang nhập khẩu số lượng lớn van thương hiệu uy tín.
- Sẵn sàng đáp ứng mọi nhu cầu khắt khe của khách hàng;
- Hàng luôn sẵn có và đảm bảo;
- Bảo hành 12 tháng theo cơ chế 1 đổi 1;
- Đảm bảo hàng chính hãng có đầy đủ chứng từ xuất sứ, chất lượng CO,CQ;
- Giao hàng nhanh;
- Thanh toán linh động;
Bạn cần tư vấn những thông tin gì về van hay các loại van bi inox khác hãy liên hệ tới công ty TNHH Tùng Lâm để được giải đáp mọi thắc mắc và báo giá tốt nhất, mua hàng chính hãng giá rẻ cùng với các dịch vụ ưu đãi.
******************************************************************************************************
Thông tin xin liên hệ
Công ty TNHH Tùng Lâm
Địa chỉ: số 64 ngõ 885 đường Tam Trinh .P Yên Sở. Q Hoàng Mai, Hà Nội;
Hotline: 02462 92 94 96- 02436.462.588
Di động: 0916.769.856 - 0972.609.736
Email: tunglam.industrial@gmail.com




Bình luận
Spenott - 05/19/2022 00:02:41
Levitra Zonder Recept Ytbrco https://newfasttadalafil.com/ - cialis buy Baclofen En Pharmacie Cialis Buy Amoxil Without Prescription Psdpye https://newfasttadalafil.com/ - Cialis Mrlegi